
A kugeuza kugeuza (T flip-flop) ni mzunguko wa mantiki unaofuatana ambao huhifadhi data kidogo na kubadilisha matokeo yake kulingana na ishara ya saa.
Inaitwa kugeuza flip-flop kwa sababu towe hubadilika kati ya 0 na 1.
• T = 0 → pato hukaa sawa (shikilia)
• T = 1 → towe swichi hadi hali kinyume (geuza)
T flip-flop ina moja pembejeo (T), a ingizo la saa (CLK), na matokeo mawili, Q na nyongeza yake Q̅, ambayo inawakilisha majimbo ya sasa na ya kinyume ya mzunguko.Pato hubadilika tu kwenye ukingo wa saa, kuhakikisha uendeshaji wa kuaminika.Kwa sababu ya muundo wake rahisi, T flip-flop hutumiwa sana katika nyaya za digital.

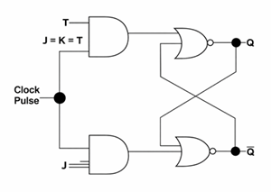
Kielelezo 2. JK Flip-Flop Imegeuzwa kuwa T Flip-Flop kwa Kuunganisha J = K = T
Flip-flop ya JK ni saketi inayoweza kunyumbulika inayotumika kuhifadhi sehemu moja ya data.Ina pembejeo tatu: J, K, na CLK.
Uendeshaji Msingi wa JK Flip-Flop
• J = 0, K = 0 → shikilia (hakuna mabadiliko)
• J = 0, K = 1 → weka upya (Q = 0)
• J = 1, K = 0 → seti (Q = 1)
• J = 1, K = 1 → geuza
Kwa sababu inasaidia shughuli nyingi, inaitwa a flip-flop zima.
Mlingano wa Tabia

Kielelezo 3. Mlingano wa Tabia ya JK Flip-Flop
Flip-flop inaweza kuundwa kwa kuunganisha:
J = K = T
Matokeo: Wakati T = 0, flip-flop inashikilia hali yake ya sasa, wakati wakati T = 1, inageuza hadi hali iliyo kinyume.
Matokeo bado hubadilika tu kwenye ukingo wa saa.
Wakati T = 1, pato hubadilika kwa kila mpigo wa saa, kwa hivyo saketi hufanya kama kigawanyaji cha masafa.
Tabia ya T flip-flop inatolewa na:
Q(inayofuata) = T ⊕ Q
Wapi: ⊕ inawakilisha XOR (kipekee AU), ikimaanisha kuwa matokeo hubadilika tu wakati pembejeo ni tofauti.
Mfano
Swali la awali = 0
Wakati T = 1, mpigo wa saa unaofuata hubadilisha Q hadi 1, na kwenye mpigo wa saa unaofuata, Q hubadilika kurudi 0, kuonyesha kwamba matokeo hubadilika kwa kila mzunguko wa saa.
|
T |
Saa
Hali |
Jimbo la Sasa (Q) |
Jimbo Linalofuata (Q(linalofuata)) |
Uendeshaji |
|
0 |
Kupanda kwa makali |
0 |
0 |
Shikilia |
|
0 |
Kupanda kwa makali |
1 |
1 |
Shikilia |
|
1 |
Kupanda kwa makali |
0 |
1 |
Geuza |
|
1 |
Kupanda kwa makali |
1 |
0 |
Geuza |
|
X |
Hakuna ukingo wa saa |
Q |
Q |
Hakuna mabadiliko |

Kielelezo 4. T Operesheni ya Flip-Flop kwenye Kingo za Saa Zinazopanda
T flip-flop hufanya kazi kulingana na ishara ya saa na Ingizo la T.Pato hubadilika tu kwenye makali ya saa ya kupanda, wapi T = 0 huweka hali ya sasa bila kubadilika na T = 1 husababisha pato kugeuza.Hii inahakikisha uendeshaji thabiti na wa kuaminika.
Flip-flop pia inaweza kuhusishwa na flip-flops nyingine kupitia ubadilishaji rahisi.Flip-flop ya JK inaweza kubadilishwa kuwa D flip-flop kwa kuunganisha D kwa J na HAPANA D kwa K, na kusababisha mlinganyo Q(inayofuata) = D, ambapo matokeo hufuata moja kwa moja ingizo.Katika flip-flop ya D, D = 0 huweka pato kuwa 0, wakati D = 1 huiweka 1.
Vile vile, T flip-flop inaweza kutekelezwa kwa kutumia D flip-flop na lango la XOR, wapi D = T ⊕ Q.Usanidi huu hutoa tabia sawa ya kugeuza kama T flip-flop.
Kwa kutumia SR Flip-Flop: Inahitaji mantiki ya ziada ili kuepuka masharti batili ya ingizo.
Kwa kutumia D Flip-Flop: Hutumia lango la XOR, kutoa muundo rahisi na bora.
Kwa kutumia JK Flip-Flop: Huunganisha pembejeo za J na K pamoja, na kuifanya njia rahisi zaidi ya kufikia tabia ya kugeuza.
Kitengo cha Marudio - Inagawanya ishara ya saa na 2. Hatua nyingi zinaweza kugawanya zaidi.
Counters - Hutumika katika kuhesabu mfumo wa jozi (k.m., hesabu za hesabu 4-bit 0–15)
Vihesabu vya Ripple - Muundo rahisi lakini unaweza kuwa na ucheleweshaji mdogo
Hifadhi ya Data - Huhifadhi kidogo hadi ishara ya saa inayofuata
Mizunguko ya Synchronous - Huweka shughuli za mfumo zikiwa zimeratibiwa
Sajili za Shift - Husogeza data hatua kwa hatua katika mifumo ya mawasiliano

Kielelezo 5. T vs D vs Ulinganisho wa Alama ya JK Flip-Flop
|
Kipengele |
T |
D |
JK |
|
Ingizo |
1 |
1 |
2 |
|
Uendeshaji |
Geuza |
Nakili ingizo |
Nyingi |
|
Geuza |
Ndiyo |
Hapana |
Ndiyo |
|
Shikilia |
Ndiyo |
Ikiwa tu ingizo haijabadilishwa |
Ndiyo |
|
Weka/Weka Upya |
Hakuna moja kwa moja |
Ndiyo |
Ndiyo |
|
Tumia |
Counters |
Hifadhi |
Udhibiti |
|
Utata |
Chini |
Chini |
Kati |
|
Kosa |
Sahihi
Wazo |
|
T = 0 inamaanisha kuweka upya |
T = 0 inashikilia serikali |
|
Kugeuza mara kwa mara |
Hugeuza tu ukingo wa saa |
|
Mpangilio wa pato lisilohamishika |
Inategemea hali ya awali |
|
Tenga na JK |
Imejengwa kutoka kwa JK (J = K = T) |
|
Kupuuza makali ya saa |
Mabadiliko ya pato kwenye ukingo wa saa pekee |
T flip-flop ni mzunguko rahisi na ufanisi ambao hubadilisha hali katika kukabiliana na ishara za saa.Uwezo wake wa kugeuza huifanya kuwa muhimu katika vihesabio, mgawanyo wa marudio, na programu zingine za kidijitali.Kuelewa utendakazi na muundo wake husaidia kujenga msingi imara katika mifumo ya mantiki ya kidijitali.
KUHUSU SISI
Kuridhika kwa wateja kila wakati.Kuaminiana na masilahi ya kawaida.
Kila kitu unachohitaji kujua kuhusu urefu wa wimbi la LED
2026-04-16
MOSFET kama Swichi: Kufanya Kazi, Aina, na Maombi Yamefafanuliwa
2026-04-15
Faida kuu ni muundo wake rahisi.Inatumia pembejeo moja tu na inaweza kugeuza hali kwa urahisi, kuifanya iwe bora kwa hesabu na wakati mizunguko.
Kwa sababu inabadilisha hali kwa kila mpigo wa saa wakati T = 1, inagawanya mzunguko wa saa ya kuingiza na 2.
Pato linabaki bila kubadilika, bila kujali pembejeo ya T, kwa sababu flip-flops hujibu tu kwa ishara za saa.
T flip-flop ni kipengee kimoja cha kuhifadhi, wakati kihesabu cha binary hutumia flip-flop nyingi zilizounganishwa pamoja ili kuhesabu thamani.
T flip-flops nyingi hutumia kichochezi cha makali, kwa kawaida ukingo wa kupanda, ili kuhakikisha mabadiliko sahihi na thabiti ya hali.
Hapana, maoni kutoka kwa matokeo yanahitajika ili kuwezesha tabia ya kugeuza.
T flip-flop moja huhifadhi data kidogo, ama 0 au 1.
Barua pepe: Info@ariat-tech.comHK TEL: +852 30501966BONYEZA: Rm 2703 27F Ho King Comm Center 2-16,
Fa Yuen St MongKok Kowloon, Hong Kong.