
STM8S103F3P6 ni microcontroller 8-bit iliyotengenezwa na Stmicroelectronics, maarufu kwa utendaji wake wa kuvutia na ujumuishaji wa mshono.Kifaa hiki cha kompakt kina vifaa vya kuinua kifaa (SMD), inajumuisha msingi wa hali ya juu na vifaa ambavyo vinatengenezwa kwa uangalifu kwa kutumia teknolojia ya kukata.Na frequency ya saa ya 16 MHz, STM8S103F3P6 ina uwezo wa I/O nguvu, kuhakikisha usindikaji wa data na utunzaji bora.Timer yake huru ya walinzi, iliyo na chanzo huru cha saa na mfumo wa usalama wa saa, inahakikisha utendaji mzuri wa kifaa na ujasiri dhidi ya usumbufu unaowezekana.
Moja ya sifa zake za kusimama ni kumbukumbu yake ya Flash, ambayo hutoa uhifadhi usio na tete kwa msimbo na data.Na safu ya voltage inayofanya kazi kutoka 2.95 V hadi 5.5 V, microcontroller hii inabadilika sana na inaweza kubadilika kwa matumizi anuwai.Kwa kuongeza, inatoa joto pana la joto la -40 ° C hadi 85 ° C, na kuifanya iweze kupelekwa katika hali tofauti za mazingira.
• MSP430G2353
• PIC16LF18444T
• STM8S103F3P3
• STM8S103F3P3TR


Matumizi ya Nguvu ya chini: Ina aina ya njia za matumizi ya nguvu ya chini kuchagua, pamoja na hali ya wavivu, hali ya kulala, hali ya kulala kwa kina na hali ya mbali, ambayo inaweza kupanua maisha ya betri na kuokoa nishati.
Utendaji wa hali ya juu: Inachukua usanifu wa hali ya juu wa STM8, ambayo inaruhusu frequency ya kufanya kazi kuwa ya juu kama 16MHz, ambayo inaboresha sana kasi ya utekelezaji wa mafundisho na hutoa uwezo mzuri zaidi wa kompyuta kwa matumizi yetu.
Sehemu nyingi za mawasiliano: Inasaidia aina ya miingiliano ya mawasiliano ikiwa ni pamoja na SPI (interface ya pembeni ya pembeni), I2C na UART.Kupitia miingiliano hii, inaweza kuwasiliana kwa urahisi na kuingiliana na vifaa vya nje ili kufikia kazi na matumizi zaidi.
Viwango vingi: STM8S103F3P6 Microcontroller ina rasilimali nyingi za pembeni, pamoja na 16kB ya kumbukumbu ya flash na 1kb ya kumbukumbu ya RAM, na vile vile sehemu za kawaida zinazotumiwa kama pini za GPIO, wakati, na UART.Tofauti za vifaa hivi hufanya kifaa kufaa kwa hali anuwai ya matumizi na inaweza kukidhi mahitaji ya nyanja na viwanda tofauti.Ikiwa ni udhibiti wa viwanda, nyumba nzuri, au mifumo iliyoingia, STM8S103F3P6 inaweza kutoa msaada.

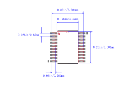
STM8S103F3P6 imewekwa kwenye kifurushi nyembamba cha muhtasari mdogo (TSSOP) na ina pini 20.Mwili na nafasi za kuongoza ni ndogo kuliko vifurushi vya kawaida vya SOIC.Kipengele cha kawaida cha TSSOP ni malezi ya pini karibu na chip iliyowekwa, ambayo inafanya iwe sawa kwa kuweka wiring kwenye PCB kwa kutumia teknolojia ya SMT.Wakati wa kutumia kifurushi cha TSSOP, vigezo vya vimelea (usumbufu wa voltage ya pato unaosababishwa na mabadiliko makubwa katika sasa) ni ndogo, kwa hivyo inafaa kwa matumizi ya mzunguko wa juu.Aina hii ya kifurushi ni rahisi zaidi kufanya kazi na ina kuegemea zaidi.
Kifurushi cha TSSOP kina huduma zifuatazo:
• Nafasi ndogo ya pini: Nafasi ya pini kwa ujumla ni 0.5mm au 0.65mm.Kupitia muundo wa baa za bodi za mzunguko, vifaa zaidi vinaweza kuwekwa kwenye bodi ya mzunguko na eneo moja na saizi.
• Upeo mkubwa wa matumizi: Inaweza kutumika kwa nyanja mbali mbali za matumizi kama vile microcontrollers, DSPs, chipsi za kumbukumbu, na chips za usambazaji wa umeme.
• Hesabu ya juu ya pini: Idadi ya pini kwa ujumla ni karibu 20 hadi 64, ambayo inaweza kukidhi mahitaji fulani ya ujumuishaji wa chip.
• Saizi ndogo ya kifurushi: Ikilinganishwa na muhtasari mdogo wa kawaida (kwa hivyo), saizi yake ni ndogo, unene ni nyembamba, na kiasi ni kidogo, na kuifanya iweze kufaa kwa ufungaji wa mizunguko ya hali ya juu.
• Utendaji wa hali ya juu: Inachukua teknolojia ya mlima wa uso, ina ubora mzuri na upinzani wa kutu, na inaweza kukidhi mahitaji maalum kama kasi ya juu, masafa ya juu, miniaturization na kadhalika.
Isipokuwa imeainishwa vingine, voltages zote hurejelewa kwa VSS.
Viwango vya chini na vya juu vimehakikishwa chini ya hali mbaya zaidi, inayojumuisha joto la kawaida, voltage ya usambazaji, na masafa.Dhamana hizi zinaanzishwa kupitia vipimo vikali vya uzalishaji uliofanywa kwa 100% ya vifaa, vilivyofanywa kwa joto la kawaida la TA = 25 ° C na TA = tamax (kama inavyofafanuliwa na kiwango cha joto kilichochaguliwa).
Thamani kulingana na matokeo ya tabia, simu za muundo, na/au sifa za kiteknolojia zimeainishwa kwenye maelezo ya chini ya meza na hazijafanya upimaji wa uzalishaji.Kuhusu tabia, viwango vya chini na vya juu vinahusu tathmini za mfano na kuashiria thamani ya maana na anuwai ya pamoja au minus mara tatu kupotoka kwa kiwango (inamaanisha ± 3σ).
Isipokuwa imeelezwa wazi vinginevyo, data ya kawaida imeanzishwa na TA = 25 ° C, VDD = 5 V. Thamani hizi hutolewa tu kama marejeleo ya muundo na hayajafanywa upimaji.
Usahihi wa kawaida wa maadili ya ADC umeanzishwa kupitia tabia ya seti ya sampuli kutoka kwa kiwango cha kawaida cha utengamano katika safu kamili ya joto.Katika muktadha huu, 95% ya vifaa vinaonyesha kosa ndani ya thamani iliyoainishwa (inamaanisha ± 2σ).
Isipokuwa imeonyeshwa mahsusi, grafu zote za kawaida zimekusudiwa tu kama marejeleo ya muundo na hazijakabiliwa na upimaji.
Kuzidi makadirio ya kiwango cha juu kabisa kunaweza kusababisha uharibifu wa kudumu kwa kifaa.Ukadiriaji huu unaonyesha tu mipaka ya mafadhaiko ambayo kifaa kinaweza kuvumilia, na haisemi kwamba kifaa kitafanya kazi vizuri chini ya masharti haya.Mfiduo wa hali katika au karibu na viwango vya juu vinaweza kuathiri vibaya kuegemea kwa kifaa.
Profaili ya utume wa kifaa, ambayo inaelezea hali yake ya matumizi, inaambatana na kiwango cha sifa cha JEDEC JeSD47, na maelezo mafupi ya misheni yaliyopatikana juu ya ombi.
Ili kufikia utulivu wa mdhibiti wa msingi, capacitor ya nje inayoitwa Cext inapaswa kushikamana na pini ya VCAP.Ni muhimu kuhakikisha kuwa inductance ya mfululizo inabaki chini ya 15 nh.
Matumizi ya sasa hupimwa kama inavyoonyeshwa kwenye picha ifuatayo.

Jumla ya usambazaji wa matumizi ya sasa katika hali ya Run
MCU imewekwa chini ya hali zifuatazo:
• Vizuizi vyote vimelemazwa (saa iliyosimamishwa na rejista za upitishaji wa saa) isipokuwa ikiwa imetajwa wazi.
• pini zote za I/O katika hali ya pembejeo na thamani ya tuli katika VDD au VSS (hakuna mzigo)
Chini ya hali ya jumla ya kufanya kazi kwa VDD na TA.

STM8S103F3P6 ina pini 20, majina yake ya pini na kazi ni kama ifuatavyo:
Pin1 (pd4/ beep/ tim2_ ch1/ uart1 _ck): bandari d4
PIN2 (PD5/ AIN5/ UART1 _TX): Port D5
PIN3 (PD6/ AIN6/ UART1 _RX): Port D6
Pin4 (nrst): Rudisha
PIN5 (PA1/OSCIN): Port A1
PIN6 (PA2/OSCOUT): Port A2
Pin7 (VSS): ardhi ya dijiti
PIN8 (VCAP): 1.8 V capacitor ya mdhibiti
PIN9 (VDD): Ugavi wa nguvu ya dijiti
PIN10 (PA3/ TIM2_ CH3 [SPI_ NSS]): Port A3
PIN11 (PB5/ I2C_ SDA [TIM1_ BKIN]): Port B5
PIN12 (PB4/ I2C_ SCL): Port B4
PIN13 (PC3/ TIM1_CH3 [TLI] [TIM1_ CH1N]): Port C3
PIN14 (PC4/ CLK_CCO/ TIM1_ CH4/ AIN2/ [TIM1_ CH2N]): Port C4
PIN15 (PC5/ SPI_SCK [TIM2_ CH1]): Port C5
PIN16 (PC6/ SPI_MOSI [TIM1_ CH1]): Port C6
PIN17 (PC7/ SPI_MISO [TIM1_ CH2]): Port C7
PIN18 (PD1/ kuogelea): Port D1
PIN19 (PD2/ AIN3/ [TIM2_ CH3]): Port D2
PIN20 (PD3/ AIN4/ TIM2_ CH2/ ADC_ ETR): Port D3
Kama inavyoonyeshwa kwenye takwimu hapo juu, chip ya STM8S103F3P6 ina hadi pini 16 za I/O, ambazo zinaweza kutumika kwa madhumuni anuwai, kama vile GPIO, miingiliano ya pembeni, ADC, nk pini zake za I/O ni za zabuni na zinaweza kuwaInatumika kama pini za pembejeo kusoma ishara za nje au kama pini za pato kutuma ishara kwa vifaa vya nje.Kwa kuongezea, kila pini ya I/O inaweza kupewa kwa hiari vector ya kusumbua ili kuwezesha usindikaji sahihi wa usumbufu wakati zinatokea.
• Mifumo ya automatisering: Microcontroller hii inaweza kutumika katika mifumo ya otomatiki kama mapazia ya umeme, mifumo ya kudhibiti upatikanaji, udhibiti wa joto na udhibiti wa taa.
• Maombi ya IoT (Mtandao wa Vitu): Ikiwa tunahitaji kukuza vifaa vya IoT, inaweza kutumika kama mtawala wa nodi za IoT kuunganisha na kudhibiti sensorer anuwai na moduli za mawasiliano.
• Vifaa vya elektroniki vya kibinafsi: Inatumika katika kamera za dijiti, wachezaji wa MP3 na MP4, mioyo ya mchezo wa elektroniki, nk.
• Vifaa vya Elektroniki: Inatumika kukuza vifaa anuwai vya elektroniki
, kama vitu vya kuchezea vya elektroniki, udhibiti wa mbali, mahesabu ya mini, nk.
• Sehemu ya Viwanda: Inatumika katika PLC, Watawala wa Viwanda, Usanidi wa Mchakato na Vifaa vya Udhibiti wa moja kwa moja, nk.
• Upataji wa data na interface ya sensor: Inatumika kufuatilia hali ya mazingira na kukusanya data au kuunganisha sensorer anuwai kama vile sensorer nyepesi, sensorer za joto, na sensorer za unyevu.
• Mfumo wa Udhibiti ulioingia: Inatumika kubuni mifumo mbali mbali ya kudhibiti iliyoingia, kama vifaa vya kaya, vifaa vya viwandani, zana za nguvu, nk Nguvu yake ya usindikaji 8 inatosha kwa kazi nyingi rahisi za kudhibiti.
STM8S103F3P6 ni chip ya microcontroller iliyoundwa na STMicroelectronics.Ni ya familia ya STM8 ya microcontrollers 8-bit na inatumika sana katika mifumo mbali mbali iliyoingia na matumizi ya IoT.
STM8S103F3P6 Kitengo cha Microcontroller kina 640 BIT ROM, 10-bit 5-Channels ADC, 1kb RAM na saizi ya kumbukumbu ya mpango wa 8kb.
Tunaweza kuchukua nafasi ya STM8S103F3P6 na MSP430G2353, PIC16LF18444T, STM8S103F3P3, STM8S103F3P3tr au STM8S103F3P6tr.
Ndio, STM8S103F3P6 imeundwa na sifa za nguvu za chini na inaweza kutumika katika matumizi ya betri au nguvu ya chini ambapo ufanisi wa nishati ni muhimu.
Baadhi ya vipengee muhimu vya STM8S103F3P6 ni pamoja na GPIO (pembejeo ya jumla ya kusudi/pato), UART (Universal Asynchronous Receiver/Transmitter) Mawasiliano, mawasiliano ya I2C (Inter-Pamoja), SPI (interface ya pembeni) mawasiliano, wakati, na zaidi.
KUHUSU SISI
Kuridhika kwa wateja kila wakati.Kuaminiana na masilahi ya kawaida.
Uainishaji wa kiufundi wa seli ya sarafu ya lithiamu CR2354
2024-08-02
Mwongozo kamili wa ATMEGA328-PU microcontroller
2024-08-02
Barua pepe: Info@ariat-tech.comHK TEL: +852 30501966BONYEZA: Rm 2703 27F Ho King Comm Center 2-16,
Fa Yuen St MongKok Kowloon, Hong Kong.